YUKEN Série "G" G-DSG-01 G-DSG-03 G-DSHG operada por solenóide do tipo sem choque-04 G-DSHG-06 Válvulas direcionais operadas por piloto controladas por solenóide
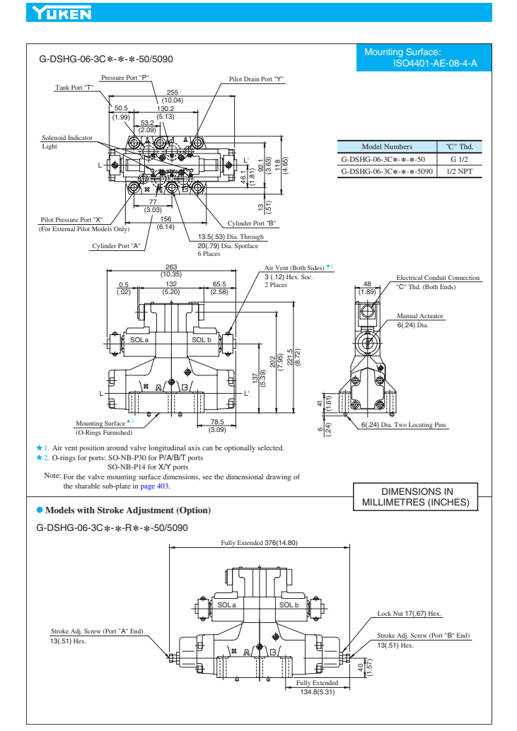
As válvulas direcionais operadas por solenóide da série G incorporam circuitos eletrônicos que permitem o ajuste do tempo de mudança do carretel. É usado um formato especial do carretel que minimiza o choque, choques causados pela partida e parada do atuador, bem como vibração devido ao martelamento de óleo. As válvulas convencionais operadas por solenóide, sem choque e direcionais são constantes e não podem ser ajustadas. Como o tempo de mudança das válvulas da série G pode ser ajustado, ele pode ser ajustado em um nível ideal para minimizar choques na máquina. As válvulas direcionais operadas por solenóide da série não podem ser ajustadas para vazões máximas. Para ajustar as taxas de fluxo máximas, use válvulas de controle de fluxo. Nas válvulas direcionais pilotadas controladas por solenoide da série G (G-DSHG-04/06), a vazão máxima pode ser ajustada pelo uso da válvula com parafuso de ajuste de curso opcional.


|
YUKEN "G" Série G-DSG-01 G-DSG-03 Operado por solenóide tipo sem choque G-DSHG-04 G-DSHG-06 Válvulas direcionais operadas por piloto controladas por solenóide |






|
|

Tag: yuken série "g" g-dsg-01 g-dsg-03 tipo sem choque operado por solenóide g-dshg-04 g-dshg-06 válvulas direcionais controladas por solenóide operadas por piloto













